TBS DCM Battery Protect suojarele 12V 500A.
DC-modulaarinen akkusuojarele (TBP) omaa samat ominaisuudet kuin akkurelen (RBS). Se on älykäs korkean virran magneettisesti lukittu kontaktori, joka pystyy käsittelemään jatkuvaa tasavirtaa jopa 500 ampeeriin asti. Toisin kuin RBS, jota käytetään pääasiassa paikallisesti tai ulkoisesti ohjattavana akkukuorman kytkimenä, TBP:ssä on useita lisäominaisuuksia. Tärkeimpänä se voi suojata akkua ilman ulkoisen mittaus- ja ohjauslaitteen tarvetta.
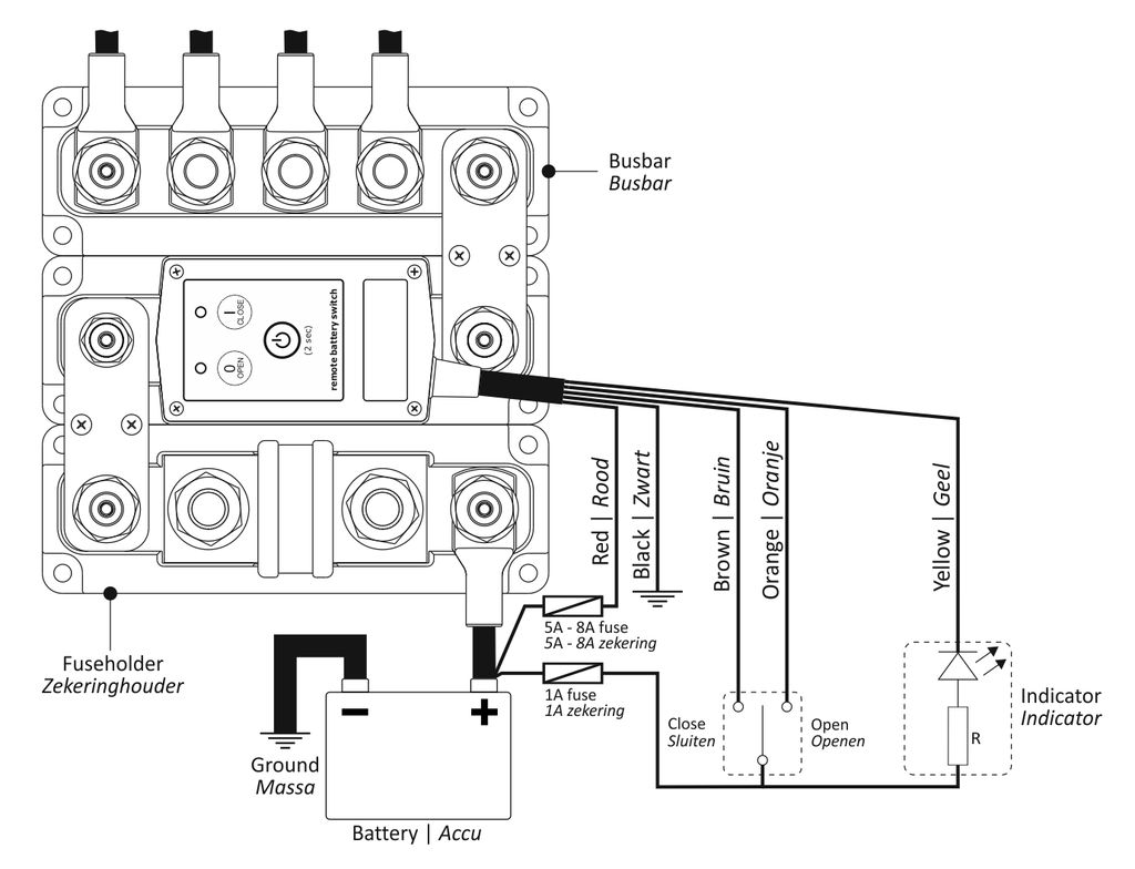
TBP:n voi ohjata etänä, ja sen yläosassa sijaitsevat painikkeet tarjoavat myös mahdollisuuden avata tai sulkea pääkontaktin paikallisesti. Ulkoiseen ohjaukseen TBP on varustettu 5-johtimella liitäntäkaapelilla. Sitä voidaan määrittää hyväksymään kaksi- tai yksijohtimiset ON/OFF-komennot optimaalisen joustavuuden saavuttamiseksi.
TBP on magneettisesti lukittu rele, mikä tarkoittaa, ettei akusta vedetä virtaa, kun kontakti on suljettu. Tämä on suuri etu verrattuna tavallisiin releisiin, jotka vaativat (joskus merkittävän) pidätysvirran pitääkseen kontaktin suljettuna.
Kaikkien RBS:n ominaisuuksien ja etujen lisäksi TBP:ssä on akkusuojaus sisäänrakennettuna. Se avaa automaattisesti pääkontaktin, kun akun jännite on laskenut ohjelmoitavalle alhaiselle jännitetasolle. Sen jälkeen kun akun jännite on noussut ohjelmoitavalle uudelleenkytkentäjännitteelle, pääkontakti sulkeutuu uudelleen.
Toinen kätevä TBP-ominaisuus on Ohitustoiminto. Tilanteissa, joissa TBP on avannut pääkontaktin akun alijännitteen vuoksi, pitkä painallus sulkupainiketta (paikallinen tai ulkoinen) sulkee pääkontaktin 1 minuutiksi. Tämä mahdollistaa käyttäjän käynnistää alijännitteisen akkujärjestelmän uudelleen. Kun tämän minuutin jälkeen akun jännite pysyy liian alhaisena, kontakti avautuu uudelleen. Se pysyy kuitenkin suljettuna, jos ohitusajan aikana on liitetty laturi, joka saa akun jännitteen elpymään.
Lisätietoja saat lataamalla tietolehden alla olevasta linkistä tai tarkistamalla tämän YouTube-videon yleisistä asennusohjeista.
Lisätietoja
| Perustiedot | |
|---|---|
| Valmistaja | TBS |
| Luokittelemattomat | |
|---|---|
| Veroluokka | ALV 25,5% |
Vertaile
To install this Web App in your iPhone/iPad press
and then Add to Home Screen.


